

| 光学参数 | 结构参数 | ||
| 焦距 | 23mm | 调焦方式 | 电调,DC +6V~12V |
| 视场角 | 重量 | 250g | |
| F数 | 1.5 | 外壳材料 | 铝合金 |
| 波段 | 3.0~3.7μm | 表面处理 | 黑色阳极氧化 |
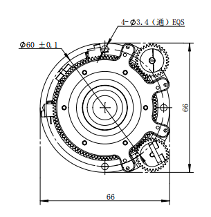
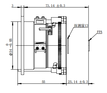
| 镀膜 | AR | 外形尺寸 | φ110× 110.35 |
| 透过率 | >90% | 后靠距 | -- |
| 工作温度 | -40℃~+60℃ | 后截距 | 25.14mm |
| 近摄距 | 0.5m~infinity | 机械接口 | 法兰 |
| 适配探测器 | 640×512,15um | 头片密封等级 | IP67 |
用心研制,用科技造福社会


| 光学参数 | 结构参数 | ||
| 焦距 | 23mm | 调焦方式 | 电调,DC +6V~12V |
| 视场角 | 重量 | 250g | |
| F数 | 1.5 | 外壳材料 | 铝合金 |
| 波段 | 3.0~3.7μm | 表面处理 | 黑色阳极氧化 |
| 镀膜 | AR | 外形尺寸 | φ110× 110.35 |
| 透过率 | >90% | 后靠距 | -- |
| 工作温度 | -40℃~+60℃ | 后截距 | 25.14mm |
| 近摄距 | 0.5m~infinity | 机械接口 | 法兰 |
| 适配探测器 | 640×512,15um | 头片密封等级 | IP67 |