
| 光学参数 | 结构参数 | ||
| 焦距 | 25-225mm | 变焦与调焦方式 | 电动,DC+9V |
| 视场角 | 34.15°×27.62°~3.91°×3.13° | 重量 | 10.2kg |
| F数 | 1.0 | 外壳材料 | 铝合金 |
| 波段 | 8~14μm | 表面处理 | 黑色阳极氧化 |
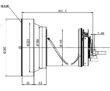
| 镀膜 | DLC+AR | 外形尺寸 | φ260× 332.3mm |
| 透过率 | >80% | 后靠距 | --- |
| 工作温度 | -40℃~+60℃ | 后截距 | 7.48mm |
| 近摄距 | 6m/25m | 机械接口 | 法兰 |
| 适配探测器 | 1280×1024,12um | 头片密封等级 | IP67 |
| 视场切换时间 | ≤12s@25℃ | ||





扫一扫